一级造价工程师考试作为行业内的重要考试之一,每年都吸引着大量考生参与。2024年度的考试已经圆满结束,为了帮助考生们更好地了解自己的答题情况,我们整理了《建设工程造价案例分析》试题三考试真题。无论是想要估分的考生,还是希望借此机会备考的未来考生,都可以从中获益匪浅。
试题三:
某国有企业投资的建设项目,采用工程量清单方式招标,发承包双方签订了工程施工合同。合同约定工期320天,签约合同价8000万元(含税),管理费为人材机费之和的8%,利润为人材机费和管理费之和的3%。规费为人工费的20%,增值税率为9%,因市场价格波动、人工费和钢材变化部分据实调整。施工机械闲置费用按机械台班单价的60%计算(不计取管理费和利润)
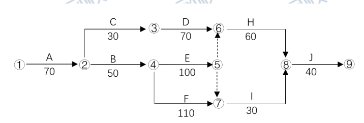
合同签订后,经监理工程师批准的施工进度计划如图3.1所示。承包人安排E工作与I工作使用同一台施工机械(按每天1台班计),机械台班单价为1000元/台班。各项工作均按最早时间安排。工程实施过程中发生如下事件:

事件1:该工程F工作招标工程量清单中空调机组共计12套,设备暂估价20万元/套,F工作开始前发包人经询价选择了某设备供应商,并按18万元/套认定价格,由承包人采购,合同价款按发包人认定价格调整。
事件2:因工程变更增加G工作,G工作是E工作的紧后工作,是I工作的紧前工作,工作时间为40天,经确认,该工作人材机费用分别为20万元40万元、10万元。
事件3:由于功能调整需要,对施工图进行了修改,因修改后的施工图延迟移交承包人,导致工作H开始时间延误40天。经双方协商,对因延迟交付施工图导致的工期延误,发包人同意按签约合同价和合同工期分摊的每天管理费标准补偿承包人。
事件4:上述事件发生后,J工作施工期间发生市场价格波动,经发包人确认,钢材下跌200元/吨(合同钢材单价3600元/吨),J工作的钢材用量为30吨,人工费上调6%。合同价中J工作的人工费为30万元。
以上事件发生后,承包人均及时向发包人提出工期及费用索赔。除注明外,各事件中的费用项目价格均不含增值税。
问题1:针对事件一,请指出发包人处理该事件的做法不妥之处,并给出正确的做法。
问题2:针对事件二,请指出变更后的关键线路,承包人可以索赔工期是多少天?G工作的工程造价是多少万元?除G工作的工程造价外,由该事件导致的费用索赔工程款是多少万元?
问题3:针对事件三,承包人可以获得的工期索赔多少天?假设签约合同价中的规费为300万元,按签约合同价和合同工期分摊的每天管理费是多少万元?承包人可以获得补偿的管理费是多少万元?
问题4:针对事件四,钢材单价下跌和人工费上涨是否需要调整价款?请说明原因。
(费用计算部分以万元为单位,计算结果保留三位小数。)
因文章篇幅有限,完整版2024年一级造价师考试真题可点击文末“立即下载”按钮获取!
温馨提示:2024年一级造价师考试成绩预计2025年1月上旬公布。建议大家使用文章上方“免费预约短信提醒”服务,届时我们会以短信形式推送相关信息!